MS8609A,TDS3034バックライトLED化(NL6448液晶LED化)
TFT液晶NL6448AC20-06, NL6448BC20-08は6.5インチVGAで、多くの計測器に採用されている。
うちのMS8609Aもこの液晶。狭帯域測定を行うとバックライトインバータ由来のスプリアスが出ることがわかっている。
LEDに打ち替えて低ノイズ化、長寿命化を行う。
・ドライバIC
多くのLEDドライバはPWM輝度制御を採用しているが、前述スペアナのスプリアスがCFLインバータのPWM由来と判明しているためボツ。
順方向電流で輝度調整すると色温度が変化するため、演色性を重視してPWMを用いるものが多い。
計測器なので演色性は問題にならないため、電流制御を採用する。
aitendoで適当に探していたところ、XL6001が良さそうなので採用。
実は最初DF6113を使ったのだが、5〜24Vのスペックにもかかわらず、5Vで起動不良になるという致命的な問題があってやめた。
XL6001は
出力FETを内蔵しているため、基本回路ならコンデンサとコイル程度で昇圧ドライバが構成できる。
・輝度制御信号
CFLインバータ65PWB31互換にする。
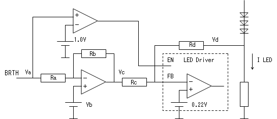
65PWB31の仕様書によれば、抵抗または電圧で制御する。(下図)
抵抗は結局は分圧されているので、要は電圧コントロールになっている。

仕様バグだと思うのだが、抵抗から計算した電圧と、電圧輝度仕様が一致しない。
入力回路は以下のようになっており、VR=0ΩだとBRTH=約1.5V(30%)で仕様通りだが、VR=10kΩではBRTH=1.9Vであり、電圧仕様100%@2.3Vと異なる。

今回、電圧制御仕様で設計することにした。抵抗仕様ではmin〜max間0.4Vとシビア過ぎるためだ。
30%@1.5V〜100%@2.3Vの制御仕様に合致するよう、輝度調整整合回路を設計した。

定数設定は少々面倒だが、以下のように2つのシーソーに例えると考えやすい。

Vaを上げればVbを支点にVcは下がり、0.22Vの支点を経由してVdが上がる。
VdはLED電流に比例しているから明るくなる。
2条件(Va=1.5, Vd=30%),(Va=2.3, Vd=100%)から5変数(Ra,Rb,Rc,Rd,Vb)を一意に決定することはできない。
ところが、Ra/Rb, Rc/Rdは比なので3変数に減らすことができ、Vbを決めてやれば解くことができる。
自由度があるため解はいくつも得られるが、設計、製作しやすさで決める。
100%時の輝度を設定できるよう、VRを設定。100%時のIF=100〜200mA。
・ノイズ対策
LED化の目的がノイズ対策なので、以下設計配慮。
・PWM輝度制御を行わない(既出)
・トロイダルコアを使い漏れ磁束を減少
・複数のコンデンサ容量をパラって広帯域低インピ化、OSコン採用
・ムラタのEMIフィルで電源デカップリング強化
・高周波パスを考えたパターン設計
基板はいつものFusion PCB。
CFLインバータと基板サイズ、穴、コネクタ位置を合わせてあります。板厚1.0。
トロイドはFT50-61に手巻きです。
秋月にアミドンのFTを扱ってくれるよう要望を出したら扱い始めましたね。
アマチュアはフェライトのFT、カーボニルのTをよく使うと思います。
入手難だったのはコネクタ。中華(Ali express)調達。互換品ではなく純正みたいです。
VRは想定していたピン配と逆で、左回し輝度UPになってしまった。
たぶんこのVRを使った人は、相当数が逆設計していると思います。

上:LEDインバータ製作品
下:CFLインバータオリジナル品
・CFL 輝度30% (制御電圧1.5V)

スペアナで見えたスプリアスの元凶、290HzのPWMが盛大に乗っている。
これは
周波数が低いためデカップリングが難しい。
というより、65PWB31にはPWM前段に大容量コンデンサが存在せず、まともに電源側に漏れ出てしまう。
データシートに以下のように書いてあり、これは仕様みたいです。

・CFL 輝度100%(制御電圧2.3V)

PWMは見られないが、インバータ周波数がかなり漏れている。
・漏れ拡大(110kHz、100mA p-p)

・LED 輝度30%(制御電圧1.5V)

・LED 輝度100%(制御電圧2.3V、VR MAX設定)

・波形拡大

昇圧コンバータの400kHzは見られない。
Time 3Div, 8Divあたりのトゲは使用したSW電源のもの。
CFLインバータと比較して、電流波形は圧倒的に低ノイズになった。
NL6448AC/BC20はCFL交換できる設計になっており、簡単に引き抜ける。
テクトロTDS3000シリーズのサービスマニュアルから。

CFLは真鍮製?の鞘に納められている。鞘の内側は鏡面になっている。
鞘はNL6448ACとBCで微妙に違い、若干BC20が細いようです。
CFLを外しLEDを両面テープで貼付け。

簡単に着脱できる優れた設計。LCDをバラす必要は無い。

最大輝度(制御電圧2.3V)でLED電流100mAにセット。
これでも元のCFLより明るいくらい。
LEDのツブツブ感は全くなく、VYFB。

MS8609Aのフロントパネルを外す。
液晶はNL6448BC20-08E。"E"で何が違うのか不明。Low emissionとか?

何の苦も無く交換。基板裏にもシルク入れれば良かった。
(Fusion PCBは裏シルクも標準価格に入ってる)

問題なく表示される。もちろん輝度調整、消灯もOK。

リア10MHz基準出力を30dB ATT経由で計測。
黄:バックライトON、青:OFF


バックライトON/OFF差は見られない。
ドライバICの発振周波数400kHz近傍を入力開放で確認

400kHzは全く見えない。基本波の入り込みは無い。
TDS3000シリーズの整備はサービスマニュアルを参照ください。
マニュアルを見ないと分解方法はわからないと思います。特にハンドル部分。
USA製品の整備性は良く、感心します。
換装前。
LCDは常時点灯ラインが出たため、オリジナル(NL6448AC20-06)から変更(NL6448BC20-08)しています。

ディスプレイASSY取り出し。ここまでネジ10本程度です。
下側のCFLは延長ハーネス経由です。

LED換装。LEDケーブルは斜めですが延長せず届きました。
CFLの延長は残しています。

変更後。
電源部コンデンサ観察100uF/63V、液漏れ無さそう。

輝度調整、消灯も問題なし。

若干余剰があります。下記セット(ドライバ基板、LED2本)、送料別6k円で頒布可です。
余剰なくなりました。欲しい方は希望を連絡いただければ考えます。
手作り基板完成品。欲しい方はメールにて。hirofumi[at]momose.com
(2022/12/16)
完成品残0 基板残0

・適合LCD NL6448AC20-06, NL6448BC20-08
・適合オシロ テクトロTDS3000/3000B他
・適合スペアナ アンリツ MS8609 他 (MS2683も多分同じ)
[戻る]
Created:2020/05/05
Updated:2022/12/16